應用於智能制造、包裝機械、塑膠機械等領域
登錄
注册
語言切换
中國
繁體
英語
西班牙語
日語
德語
葡萄牙語
俄羅斯語
400-0731-388(china)
首 頁
產品
下載
服務
專 題
關於我們
聯繫我們
放大器
光纖傳感器
窗口光纖
支架光纖
玻璃光纖
漫反射光纖
同軸光纖
長距離光纖
對射光纖
矩陣光纖
直角光纖
側視光纖
產品應用
公司動態
視頻中心
常見問題彙總
公司介紹
發展歷程
工廠實景
樣品借用
代理申請
滿意度調查
投訴申請
樣機演示/測試
3D成品圖
說明書
CAD
證書中心
停產代替查詢
當前位置 >
產品
放大器
光纖傳感器
窗口光纖
支架光纖
玻璃光纖
漫反射光纖
同軸光纖
長距離光纖
對射光纖
矩陣光纖
直角光纖
側視光纖
推薦產品
FF-403
查看更多
FC-4100/D G02M
查看更多
FFTEQ4-Q08B 2M
查看更多
公司動態
嘉准董事长许平元旦贺词
查看更多
关于超薄光电对射系列外壳结构修改的通知
查看更多
关于小方型系列接近开关外壳材质变更的通知
查看更多
官方微信
矩阵光纤
FFT-E11 2M
返回篩選
1
FFT-E11 2M
概述:
產品3D圖
產品規格參數表
尺寸圖&電路圖
资料下載
產品3D圖
產品規格參數表
名称
光纤
分类
FFR-_ML/FFT-_ML系列
类型
扁平形
温度
-40~+60℃
发光面
侧面发光
最小弯曲半径(光纤长度)
R25(2M)
检测距离FF-301
高速模式400标准模式700长距离模式1000
检测距离FF-403
高速模式400标准模式700长距离模式1000
光轴直径
Φ0.25
最小检测物
Φ0.05
规格参数
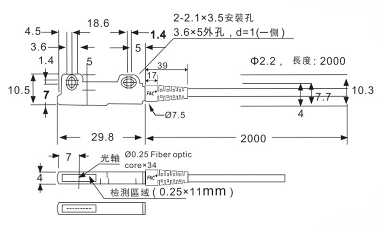
尺寸圖&電路圖
1
尺寸圖
1
電路圖
资料下載
3D成品圖
FFT-E11 2M 3D成品圖
立即下載
CAD
FFT-E11 2M CAD
立即下載
說明書
FFT-E11 2M 說明書
立即下載
推薦產品
FF-403
FC-4100/D G02M
FFTEQ4-Q08B 2M
請聯繫我們:
400-0731-388(china)
詢問嘉準
會員註冊
價格垂詢
產品應用
400-0731-388(china)
QQ咨询
扫码关注
返回顶部
igs格式文件
prt格式文件
stp格式文件
dwg格式文件
pdf格式文件